上海吉邁閥門制造有限公司主要生產≦671X氣動對夾式軟密封蝶閥≧也是國內蝶閥生產商之一。公司創建以來,始終致力于閥門的科技管理和不斷創新,使企業走上了良性循環的規模化經營之路,擁有了一支專業的閥門設計和技術研發隊伍,形成了一套完整的生產管理、質量管理、營銷管理和服務管理體系。
一、D671X氣動對夾式軟密封蝶閥產品概述:
氣動對夾式軟密封蝶閥該產品由橡膠密封蝶閥和碳鋼或不銹鋼閥板、閥桿構成。適用于溫度≤80~120℃如食品、醫藥、化工、石油、電力、輕紡、造紙等給排水、氣體管道上作調節流量和截流介質的作用。
二、D671X氣動對夾式軟密封蝶閥主要特點
1、設計新穎、合理、結構獨特,重量輕,啟閉迅速。
2、操力矩小,操作方便,省力靈巧。
3、可以任何位置安裝,維修方便。
4、密封件可以更換,密封性能可靠達到雙向密封零泄漏。
5、密封材料耐老化、耐弱腐蝕,使用壽命長等特點。
設計標準:GB/T2238-1989
法蘭連接尺寸:GB/T9113.1-2000;GB/T9115.1-2000;JB78
結構長度:GB/T12221-1989
壓力試驗:GB/T13927-1992;JB/T9092-1999
三、D671X氣動對夾式軟密封蝶閥主要技術參數
|
公稱通徑
|
DN(mm)
|
50~800
|
|
公稱壓力
|
PN(MPa)
|
0.6
|
1.0
|
1.6
|
|
試驗壓力
|
強度試驗
|
0.9
|
1.5
|
2.4
|
|
密封試驗
|
0.66
|
1.1
|
1.76
|
|
氣密封試驗
|
0.6
|
0.6
|
0.6
|
|
適用介質
|
空氣、水、污水、蒸氣、煤氣、油品等。
|
|
驅動形式
|
手動、蝸桿蝸輪傳動、氣傳動、電傳動。
|
|
零件名稱
|
材料
|
|
閥體
|
球墨鑄鐵、鑄鋼、合金鋼、不銹鋼
|
|
蝶板
|
鑄鋼、不銹鋼及特殊材料
|
|
密封圈
|
各種橡膠、聚四氟
|
|
閥桿
|
2Cr13、不銹鋼
|
|
填料
|
O型圈、柔性石墨O
|
四、D671X氣動對夾式軟密封蝶閥材料選用和適宜溫度
|
材料品種
|
氯丁橡膠
|
丁晴橡膠
|
乙丙橡膠
|
聚四氟乙烯
|
硅橡膠
|
氟橡膠
|
天然橡膠
|
尼龍
|
|
英語簡稱
|
CR
|
NBR
|
EPDM
|
PTFE
|
SI
|
VITON
|
NR
|
PA
|
|
型號代號
|
X或J
|
XA或JA
|
XB或JB
|
F或XC、JC
|
XD或JD
|
XE或JE
|
X1
|
N
|
|
耐最高溫度
|
82℃
|
93℃
|
150℃
|
232℃
|
250℃
|
204℃
|
85℃
|
93℃
|
|
耐最低溫度
|
-40℃
|
-40℃
|
-40℃
|
-268℃
|
-70℃
|
-23℃
|
-20℃
|
-73℃
|
|
適用工作溫度
|
0~+80℃
|
-20~+82℃
|
-40~+125℃
|
-30~+150℃
|
-70~+150℃
|
-23~+150℃
|
-20~+85℃
|
-30~+93℃
|
五、D671X/J(6,10,16)Z.Q.C.P.R系列連接尺寸
|
公稱通徑
|
結構長度
(標準值)
|
外形尺寸(參考值)
|
連接尺寸(標準值)
|
|
0.6MPa
|
1.0 MPa
|
1.6 MPa
|
|
毫米
|
英寸
|
L
|
H
|
Ho
|
A
|
B
|
D0
|
n-d
|
D0
|
n-d
|
D0
|
n-d
|
|
50
|
2
|
43
|
63
|
315
|
180
|
65
|
110
|
4-14
|
125
|
4-18
|
125
|
4-18
|
|
65
|
21/2
|
46
|
70
|
330
|
180
|
65
|
130
|
4-14
|
146
|
4-18
|
145
|
4-18
|
|
80
|
3
|
46
|
83
|
390
|
245
|
72
|
150
|
4-18
|
160
|
8-18
|
160
|
8-18
|
|
100
|
4
|
52
|
105
|
431
|
240
|
72
|
170
|
4-18
|
180
|
8-18
|
180
|
8-18
|
|
125
|
5
|
56
|
115
|
455
|
240
|
72
|
200
|
8-18
|
210
|
8-18
|
210
|
8-18
|
|
150
|
6
|
56
|
137
|
626
|
350
|
93
|
225
|
8-18
|
240
|
8-22
|
240
|
8-22
|
|
200
|
8
|
60
|
164
|
720
|
350
|
93
|
280
|
8-18
|
295
|
8-22
|
295
|
12-22
|
|
250
|
10
|
68
|
206
|
800
|
550
|
350
|
335
|
12-18
|
350
|
12-22
|
355
|
12-26
|
|
300
|
12
|
78
|
230
|
860
|
600
|
350
|
395
|
12-22
|
400
|
12-22
|
410
|
12-26
|
|
350
|
14
|
78
|
248
|
883
|
600
|
350
|
445
|
12-22
|
460
|
16-22
|
470
|
16-26
|
|
400
|
16
|
102
|
289
|
972
|
600
|
350
|
495
|
16-22
|
515
|
16-26
|
525
|
16-30
|
|
450
|
18
|
114
|
320
|
1043
|
750
|
380
|
550
|
16-22
|
565
|
20-26
|
585
|
20-30
|
|
500
|
20
|
127
|
343
|
1098
|
750
|
380
|
600
|
20-22
|
620
|
20-26
|
650
|
20-33
|
|
600
|
24
|
154
|
413
|
1236
|
750
|
380
|
705
|
20-26
|
725
|
20-30
|
770
|
20-36
|
|
700
|
28
|
165
|
478
|
1431
|
750
|
380
|
810
|
24-26
|
840
|
24-30
|
840
|
24-36
|
|
800
|
32
|
190
|
525
|
1488
|
750
|
380
|
920
|
24-30
|
950
|
24-33
|
950
|
24-39
|
|
900
|
36
|
203
|
620
|
1615
|
1250
|
380
|
1020
|
24-30
|
1050
|
28-33
|
1050
|
28-39
|
|
1000
|
40
|
216
|
725
|
1765
|
1500
|
580
|
1120
|
28-30
|
1160
|
28-36
|
1170
|
28-42
|
|
1200
|
48
|
254
|
780
|
1976
|
1500
|
580
|
1340
|
32-33
|
1380
|
32-39
|
1390
|
32-48
|
六、D671X氣動對夾式軟密封蝶閥執行機構
采用新型系列GT型氣動執行器,有雙作用式和單作用式(彈簧復位),齒輪傳動,安全可靠;大口徑閥門采用系列AW型氣動執行器拔叉式傳動,結構合理,輸出扭矩大,有雙作用式和單作用式。
1、齒輪式雙活塞,輸出力矩大,體積小。
2、氣缸選用鋁金材料,重量輕、外形美觀。
3、可在頂部、底部安裝手動操作機構。
4、齒條式連接可調節開啟角度、額定流量。
5、執行器可選帶電訊號反饋指示及各類附件以實現自動化操作。
6、IS05211標準連接為產品的安裝更換提供了方便。
7、兩端調的節螺釘可使標準產品在0°和90°有±4°的可調范圍。確保與閥門的同步精度。
七、D671X氣動對夾式軟密封蝶閥附件的選項
根據不同控制和要求可選擇下列附件:
切斷型附件:單電控電磁閥、雙電控電磁閥、限位開關回訊器。
調節型附件:電氣定位器、氣動定位器、電氣轉換器。
氣源處理附件:空氣過濾減壓閥、氣源處理三聯件。
手動機構:HVSD手操機構
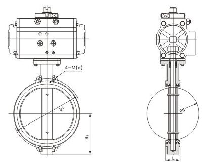
671X氣動對夾式軟密封蝶閥結構圖紙:

專業制造、專業服務、為您創造更多價值!
吉邁閥門致力于滿足用戶的期望,不斷提升服務質量,精益求精,“真誠的服務”是永恒的主題,嚴格按照ISO9001-2000質量體系認證要求,質量嚴格把關,責任到人,確保生產、銷售、服務的一條龍運行.加強與用戶溝通,竭誠為廣大新老客戶提供優質的產品,至善至美服務.
特此我廠做出如下承諾:
產品標準:
產品嚴格按中國GB、HG標準和美國API等標準設計、制造、驗收。密封面硬度達到國家規定要求,寬度超過國家標準.
售前服務:
產品介紹,技術交流,非標產品設計,疑難解答.
售中服務:
1.守信合同,保證及時供貨,隨時保持與客戶聯系.
2.對特殊或復雜的產品,我廠安排介紹人員對用戶進行產品使用、故障排除、調試及維修進行培訓和指導.
售后服務:
- 產品質保期為自簽訂合同生效起12個月,實行“三包”服務,(包退、包換、包修).
- 產品在使用中我廠定期組織技術、質檢人員進行訪問,征詢用戶對產品質量、使用狀況、改進意見等各方面的反饋.
- 對用戶投訴質量問題,快速做出反應,售后服務人員在24-36小時(省外48小時)趕赴現場.
- 對售后服務,要求用戶填寫服務后的質量反饋信息表,并做出鑒定意見,一邊提供的服務質量.